EGIS MRBF Terminal Sigorta Bloğu - Tekli
1500 TL ve üzeri alışverişlerde kargo ücretsizdir. Ürün Kodu: 1463361Model:Tekli |
Stok : Tükendi
%5 indirimli
815.85 TL
858.60TL
-
Havale %5 + 7 758.74 TL -
Tek Çekim %5 + 4 791.37 TL
Kredi Kartı Tek Çekim (%3) :791.37 TL (KDV Dahil)>
Havale / EFT (%7) :758.74 TL (KDV Dahil)
Bankalara özel taksit seçenekleri :
📢 Bayram tatili nedeniyle 22.05.2026 tarihinden itibaren verilen siparişleriniz, tatil sonrasında kargoya teslim edilecektir. Anlayışınız için teşekkür eder, iyi alışverişler dileriz.
Havale / EFT (%7) :758.74 TL (KDV Dahil)
Bankalara özel taksit seçenekleri :
| Garanti Bonus Card | ||
| Taksit tutarı | Toplam | |
| 2 | 407.93 TL | 815.85 TL |
| 3 | 271.95 TL | 815.85 TL |
| 6 | 135.98 TL | 815.85 TL |
Bilgi / Telefonla Sipariş0216 392 16 71 - 72
EGIS MRBF Terminal Sigorta Bloğu - Tekli Ürün ÖZELLİKLERİ
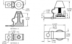
EGIS Mobile terminal sigorta bloğu
EGIS XD serisi röle terminallerine, akü terminallerine ve yüksek amperajlı busbar terminallerine montaj için uygun terminal sigorta bloğu.
Kompakt, yüksek akım devre koruması sağlayan terminal sigortaları ile DC ana hat, invertör, ırgat ve başpervane devre koruması için ideal.
Sigorta amperaj aralığı 30-300A.
Kompakt, yüksek akım devre koruması sağlayan terminal sigortaları ile DC ana hat, invertör, ırgat ve başpervane devre koruması için ideal.
Sigorta amperaj aralığı 30-300A.
Diğer Sigorta Yuvaları ürünlerimizi incelemek için kategorimizi ziyaret edebilirsiniz: Sigorta Yuvaları
Tüm tekne ve yat malzemelerini incelemek için tıklayın: Tekne Malzemeleri






